Устройство защиты УЗДП-63М УХЛ4
Гарантия производителяНа все товары, купленные в нашем интернет магазине распространяется гарантийный срок производителя
Оповещение по emailВы получаете email информирование о каждой стадии вашего заказа.
Возврат и обмен - без проблемВы можете вернуть купленные товары в течение 14 дней. Товар должнен быть в нормальном состоянии и иметь все заводские упаковки.">Возврат и обмен - без проблем!
Различные способы оплатыОплачивайте товары удобными вам способами: наличными или картой курьеру, или картой прямо в момент заказа. Юридическим лицам доступна оплата по счету.
НАЗНАЧЕНИЕ
Устройство защиты от дугового пробоя УЗДП-63М (далее Устройство) предназначено для отключения оборудования при обнаружении дугового пробоя в контролируемой цепи или опасного искрения в электропроводке, а так же, при опасном повышении сетевого напряжения в однофазных сетях. Параметры срабатывания защиты установлены в соответствии с требованиями стандарта ГОСТ IEC 62606-2016 "Устройства защиты бытового и аналогичного назначения при дуговом пробое. Общие требования".
Пример дугового пробоя
ПРИНЦИП РАБОТЫ УСТРОЙСТВА
После подачи напряжения питания Устройство выдерживает время готовности 5-6 секунд при этом индикация не работает, затем зелёный индикатор начинает мигать указывая на отсчёт выдержки времени включения. После отсчета времени включения Устройство осуществляет самотестирование, подключает нагрузку к сети и начинает контролировать защищаемую цепь.
При обнаружении дугового пробоя, Устройство отключает нагрузку и начинает отсчет задержки первой попытки повторного автоматического включения (30 секунд). После подключения нагрузки к сети Устройство в течение 4 минут осуществляет контроль повторного возникновения дугового пробоя. Если в течение данного интервала времени дуговой пробой не будет обнаружен, то последующее срабатывание защиты будет интерпретироваться, как первичное. Если при отсчете данного интервала времени Устройство обнаружит дуговой пробой, то нагрузка будет повторно отключена от сети на 4 минуты. После отсчета задержки отключения нагрузки Устройство осуществит повторное подключение нагрузки к сети и мониторинг возникновения дугового пробоя в течение 4 минут. Если в процессе мониторинга после повторного включения дуговой пробой будет обнаружен вновь, то Устройство осуществит полное отключение нагрузки от сети. В данном случае необходимо выполнить проверку защищаемых цепей на предмет наличия неисправностей, после чего включить Устройство нажатием кнопки «тест». Устройство позволяет осуществить подключение нагрузки к сети после обнаружения дугового пробоя до момента окончания отсчета задержки повторного автоматического включения. Сброс аварии и включение нагрузки осуществляется нажатием на кнопу «тест».
ВАЖНО! Если при сбросе аварии по дуговому пробою сразу происходит повторное срабатывание устройства, то это свидетельствует о наличии неисправностей в защищаемой цепи. Принудительные повторные многократные включения до устранения причины срабатывания могут привести к пожару.
Устройство имеет встроенную функцию самотестирования. Для ручной проверки исправности измерительных цепей необходимо отключить устройство нажатием кнопки «тест», после чего включить его повторным нажатием этой же кнопки. Перед включением силового реле устройство осуществляет самотестирование. Если измерительные цепи исправны, то силовое реле включается и нагрузка подключается к сети. При обнаружении неисправности устройство не позволит осуществить повторное подключение нагрузки к сети. В данном случае необходимо обратиться к заводу изготовителю. При обнаружении аварийного напряжения устройство отключит нагрузку от сети. При восстановлении напряжения до допустимого устройство осуществит автоматическое подключение нагрузки к сети в течение 5 секунд. Ручное подключение нагрузки путем нажатия на кнопку «тест» при наличии действующей аварии в сети невозможно.
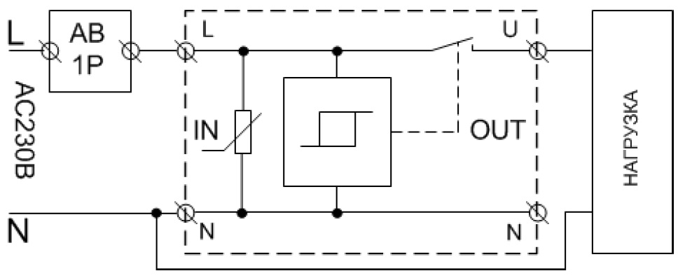
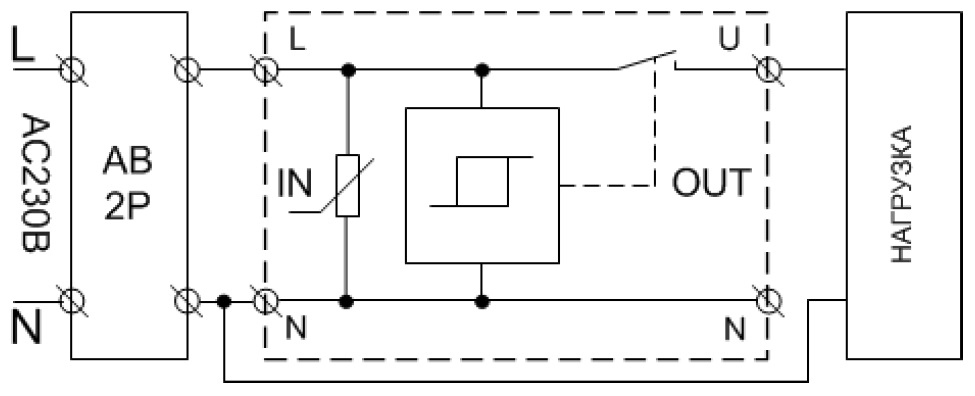
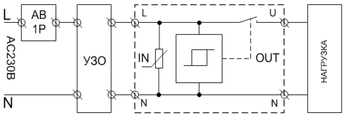
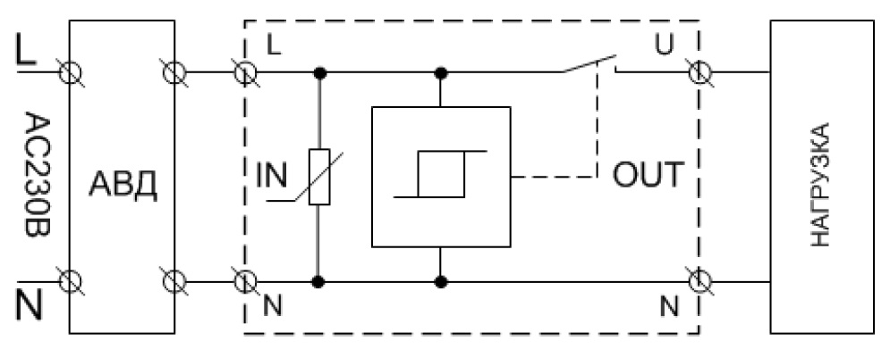
ВАЖНО! При срабатывании устройства разрывается только фазный провод. Нулевой провод N проходит на сквозь для удобства монтажа и не коммутируется. Допускается подключение вывода N только с одной стороны (Например при подключении к трёхфазной сети трёх УЗМ можно объединить нулевые выводы с одной стороны).
ВАЖНО! При отключении устройства нажатием кнопки «тест», подключение нагрузки к сети возможно только при повторном нажатии на кнопку «тест». Подача и снятие питания на устройство при принудительном выключении реле кнопкой «тест» не приведет к подключению нагрузки (включению реле).
ВАЖНО! В цепях, содержащих частотные преобразователи, устройство не применять. Так как частотные преобразователи при работе существенно искажают синусоиду сети, что может привести к ложным срабатываниям устройства. А также люминесцентные источники освещения с аналоговой пускорегулирующей аппаратурой и аналоговыми стартерными устройствами в момент включения могут вызвать срабатывание УЗДП. Это является нормальной реакцией устройства. Так как для запуска данной системы освещения осуществляется зажигание дуги в стартерных устройствах.
ИНДИКАЦИЯ УЗДП-63М
ОСНОВНЫЕ ОСОБЕННОСТИ
- Возможно применение в сетях любой конфигурации; TN-C, TN-S, TN-C-S, ТТ;
- Незаменяет другие аппараты защиты (автоматические выключатели, УЗИП, УЗО и пр.);
- Защита потребителей от аварийного дугового пробоя
- Номинальный ток коммутации 63А/250В (14кВт) (АС1)
- Сохраняетработоспособность в широком диапазоне напряжения питания - 70...440В
- Защита от повышенного напряжения (задержка срабатывания): > 290В / не более 0,1 сек.
КОНСТРУКЦИЯ УСТРОЙСТВА
Устройство выпускается в унифицированном пластмассовом корпусе и представляет собой реле контроля напряжения с мощным электромагнитным реле на выходе. Устройство устанавливается на монтажную рейку-DIN шириной 35 мм (ГОСТ Р МЭК 60715-2003) с передним подключением проводов питания защищаемых электрических цепей. Клеммы туннельной конструкции обеспечивают надёжное закрепление проводов с суммарным сечением проводников до 33мм.
Дополнительную информацию о параметрах и режимах работы устройства Вы можете найти в паспорте изделия (вкладка «файлы»)








