Реле РВФ-02-22 AC230В УХЛ4
Гарантия производителяНа все товары, купленные в нашем интернет магазине распространяется гарантийный срок производителя
Оповещение по emailВы получаете email информирование о каждой стадии вашего заказа.
Возврат и обмен - без проблемВы можете вернуть купленные товары в течение 14 дней. Товар должнен быть в нормальном состоянии и иметь все заводские упаковки.">Возврат и обмен - без проблем!
Различные способы оплатыОплачивайте товары удобными вам способами: наличными или картой курьеру, или картой прямо в момент заказа. Юридическим лицам доступна оплата по счету.
НАЗНАЧЕНИЕ
Реле выбора фаз РВФ-02-22 (далее устройство) предназначено для защиты однофазных потребителей в трехфазных четырехпроводных сетях (трехфазных сетях с нейтралью) от провалов или колебаний напряжения рабочей фазы путем переключения питания на резервные фазы. Устройство как правило применяется для питания систем охранно-пожарной сигнализации, видеонаблюдения, контроля доступа или любого другого однофазного оборудования, требующего непрерывного питания.
ПРИНЦИП РАБОТЫ
Питание устройства осуществляется от контролируемой сети. Устройство имеет два режима функционирования, которые устанавливаются поворотным переключателем "tвозвр". Если переключатель установлен в положение "откл", то устройство работает без приоритета в подключенных фазах. Если поворотный переключатель "tвозвр" установлен в любом положении между значениями 5 и 150 с, то активируется режим приоритетной фазы L1.
Режим работы с приоритетной фазой
При включении питания, устройство начинает непрерывный контроль параметров питающей сети. Если напряжение первой фазы (вход А1) соответствует установленному диапазону (не менее установленного поворотным десятипозиционным переключателем Uмин и не более 265 В), то начинается отсчет времени проверки обратной связи tос + времени включения устройства tвкл, после окончания отсчета которого происходит включение исполнительного реле №1 (выход В1). Если в процессе отсчета времени включения исполнительного реле, произойдет выход напряжения на входе А1 за допустимые пределы, то после отсчета времени tос + tвкл, нагрузка подключится к резервной фазе (выбор резервной фазы осуществляется автоматически с наименьшим номером ввода). Если в процессе работы нагрузки от приоритетной фазы, произойдет выход напряжения за допустимые пределы, то устройство оценит параметры напряжения питания по резервным фазам. Если хотя бы на одной из резервных фаз напряжение питания будет соответствовать установленному диапазону, то устройство сначала отключит основную фазу, затем проконтролирует размыкание контакта исполнительного реле и лишь затем произведет включение исполнительного реле резервной фазы. Данный алгоритм работы устройства позволяет избежать межфазного замыкания при слипании контактов какого-либо из исполнительных реле. Общее время оценки контроля размыкания контакта исполнительного реле tос и переключения нагрузки на резервную фазу tвкл не превышает 0,2 с. После переключения нагрузки на резервную фазу, устройство продолжает контроль параметров напряжения питания на основной (приоритетной) фазе. Если напряжение питания на основной фазе вернется в установленный диапазон, то начнется отсчет времени возврата на основную фазу, установленного поворотным переключателем tвозвр. После окончания отсчета времени tвозвр произойдет отключение нагрузки от резервной фазы и начнется отсчет времени tос + tвкл. После окончания отсчета времени tвкл произойдет включение исполнительного реле №1 (выход В1). Если во время отсчета tвкл напряжение снова выйдет за установленные параметры, выбирается другой ввод, отсчет tвкл начинается заново.
Режим работы без приоритетной фазы
При наличии напряжения на хотя бы одной из подключенных фаз, устройство начинает непрерывный контроль параметров питающей сети. Если напряжение на любой из фаз соответствует установленному диапазону (не менее установленного поворотным десятипозиционным переключателем Uмин и не более 265 В), то начинается отсчет времени проверки обратной связи tос + времени включения устройства tвкл, после окончания отсчета которого происходит подключение нагрузки к фазе с наименьшим номером ввода. Если в процессе работы устройства напряжение на активной фазе выйдет за установленные параметры, то нагрузка переключится на любую подключенную резервную фазу и остается на ней до очередной выхода за установленные параметры на этой фазе. Выбор резервной фазы происходит автоматически с наименьшим номером ввода и ввод соответствует установленным диапазонам.
Для всех режимов работы:
- при снижении напряжения питания менее установленного порога срабатывания, но более 130В, переключение фаз происходит с задержкой срабатывания 10 секунд.
- при снижении напряжения питания менее 130 В переключение фаз происходит с задержкой срабатывания 0,1 секунды;
- при превышении верхнего порога срабатывания в 265 В переключение фаз происходит с задержкой срабатывания 0,1 секунды;
- при превышении верхнего порога срабатывания в 300 В переключение фаз происходит с задержкой срабатывания 0,02 секунды;
ВНИМАНИЕ: Если на всех фазах напряжение питания выйдет за установленный диапазон, то произойдет полное отключение нагрузки.
ВНИМАНИЕ: В случае залипания контактов какого либо из исполнительных реле или подключенного контактора, устройство не переключает нагрузку на другую фазу, даже при выходе напряжения на активной фазе за установленные пределы (защита от замыкания между фазами).
ВНИМАНИЕ! Контакторы серии КМ-11, КМ-12, КМ-13 не применять с РВФ.
ОСНОВНЫЕ ОСОБЕННОСТИ
- Регулировка времени включения нагрузки (0,1 сек - 10 минут)
- Контроль состояния подключенных контакторов;
- Работа с приоритетной фазой или без;
- До 3 вводов источников напряжения с общим нулем;
- Индикаторы наличия напряжения или аварии по фазам и состояния встроенных исполнительных реле;
- Двухпороговая защита от перенапряжений и понижения напряжения;
- Защита от межфазных замыканий при переключении фаз;
- 3 независимых нормально разомкнутых группы контактов 8А/AC230В.
КОНСТРУКЦИЯ УСТРОЙСТВА
Устройство выпускается в унифицированном пластмассовом корпусе с передним присоединением проводов питания и коммутируемых электрических цепей. Крепление осуществляется на монтажную DIN-рейку шириной 35 мм (ГОСТ Р МЭК 60715-2003) или на ровную поверхность. Для установки устройства на ровную поверхность, фиксаторы замков необходимо переставить в крайние отверстия, расположенные на тыльной стороне корпуса. Конструкция клемм обеспечивает надёжный зажим проводов сечением до 2,5 мм2.
УСЛОВИЯ ЭКСПЛУАТАЦИИ
Устройство обеспечивает заданные режимы функционирования при соблюдении следующих условий:
- Окружающая среда – взрывобезопасная, не содержащая пыли в количестве, нарушающем работу устройства, а также агрессивных газов и паров в концентрациях, разрушающих металлы и изоляцию;
- Допускается вибрация мест крепления с частотой от 1 до 100Гц с ускорением не более 9,8 м/с2;
- Отсутствие электромагнитных полей, создаваемых проводом с импульсным током амплитудой более 100А, расположенным на расстоянии менее 10 мм от корпуса устройства;
- Устройство устойчиво к воздействию помех степени жёсткости 3 в соответствии с требованиям ГОСТ Р 51317.4.1-2000, ГОСТ Р 51317.4.4-99, ГОСТ Р 51317.4.5-99;
- Конденсация влаги на поверхности изделия не допускается;
- Высота над уровнем моря не более 2000 м.
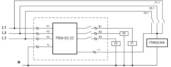
СХЕМА ПОДКЛЮЧЕНИЯ
Схема подключения при величине нагрузки до 1840 Вт. Подключение клеммы Y1 обязательно. | Схема подключения при величине нагрузки более 1840 Вт. (мощность контакторов не более 1840 Вт) Подключение клеммы Y1 обязательно. |
ВНИМАНИЕ! Контакторы серии КМ-11, КМ-12, КМ-13 не применять с РВФ.
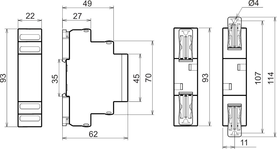
ГАБАРИТНЫЕ РАЗМЕРЫ
Дополнительную информацию о параметрах и режимах работы устройства Вы можете найти в паспорте изделия (вкладка «файлы»).




