Автоматический ввод резерва МАВР-3-11М УХЛ4
Гарантия производителяНа все товары, купленные в нашем интернет магазине распространяется гарантийный срок производителя
Оповещение по emailВы получаете email информирование о каждой стадии вашего заказа.
Возврат и обмен - без проблемВы можете вернуть купленные товары в течение 14 дней. Товар должнен быть в нормальном состоянии и иметь все заводские упаковки.">Возврат и обмен - без проблем!
Различные способы оплатыОплачивайте товары удобными вам способами: наличными или картой курьеру, или картой прямо в момент заказа. Юридическим лицам доступна оплата по счету.
Если в процессе отсчета времени tвкл произойдет отклонение параметров ввода№1 от нормы (обрыв фазы, нарушение порядка чередования фаз или выход фазного напряжения любой из фаз за установленные пороги срабатывания), то подключение нагрузки произойдет к вводу №2 и останется там даже при ликвидации аварии на вводе №1, при условии, что все параметры сети на нем соответствуют норме. В процессе работы нагрузки с питанием от приоритетного ввода устройство непрерывно контролирует параметры двух вводов и оценивает их готовность к питанию нагрузки. Если произойдет авария на основном вводе, то устройство начнет отсчет времени отключения нагрузки от ввода tоткл, устанавливаемое соответствующим поворотным переключателем на тыльной стороне устройства. Если длительность аварии превысит время tоткл, то контактор основного ввода отключится и начнется отсчет времени задержки повторного включения нагрузки, устанавливаемого поворотным переключателем "время повт. вкл." на тыльной стороне устройства. Если в процессе отсчета времени повторного включения нагрузки параметры основного ввода вернутся к норме, то нагрузка подключится снова к основному вводу. В ином случае произойдет подключение нагрузки к резервному вводу, при условии, что все параметры сети на нем соответствуют норме. При питании нагрузки от резервного ввода устройство непрерывно контролирует параметры основного ввода. При восстановлении нормального состояния основного ввода начинается отсчет времени "время повт. вкл.". По окончании отсчета происходит обратное переключение нагрузки на основной ввод.
Режим функционирования без приоритетного ввода. DIP1-выкл, DIP2-любое положение.
При включении устройства (нажатие кнопки ввод 1 или ввод 2 на время более 3 секунд) встроенный микроконтроллер оценивает параметры сети по вводам 1 и 2 (обрыв, порядок чередования и фазное напряжение). Если все параметры сети по вводам находятся в норме, то начинается отсчет времени задержки включения нагрузки tвкл. По окончании отсчета времени подается команда на включение электромагнитного контактора ввода №1. Если в процессе отсчета времени tвкл произойдет отклонение параметров приоритетного ввода от нормы (обрыв фазы, нарушение порядка чередования фаз или выход фазного напряжения любой из фаз за установленные пороги срабатывания), то подключение нагрузки произойдет к резервному вводу, при условии, что все параметры сети соответствуют норме. В процессе работы нагрузки с питанием от активного ввода устройство непрерывно контролирует параметры двух вводов и оценивает их готовность к питанию нагрузки. Если произойдет авария на активном вводе, то устройство начнет отсчет времени отключения нагрузки от активного ввода tоткл, устанавливаемое соответствующим поворотным переключателем на тыльной стороне устройства. Если длительность аварии превысит время tоткл, то контактор активного ввода отключится и начнется отсчет времени задержки повторного включения нагрузки, устанавливаемого поворотным переключателем "время повт. вкл." на тыльной стороне устройства. Если в процессе отсчета времени повторного включения нагрузки параметры активного ввода вернутся к норме, то нагрузка подключится к нему снова. В ином случае произойдет подключение нагрузки к пассивному вводу, при условии, что все параметры сети на нем соответствуют норме. Повторное переключение нагрузки произойдет если параметры активированного ввода выйдут за установленные пределы.
- При ручном управлении устройством переключение вводов осуществляется по соответствующим командам органов управления (как на самом устройстве, так и дистанционных);
- В случае аварии на Вводе1 и Вводе2 одновременно и при наличии напряжения хотя бы на одной шине L1 любого ввода выходные реле отключаются, включается индикатор Авария, а индикаторы Ввод1 и Ввод2 переходят в режим переменного включения.
- В процессе переключения нагрузки с одного ввода на другой горит индикатор "Авария";
- Для каждого из вводов на лицевой стороне устройства имеется световая индикация нормального, аварийного или извлеченного состояния (если используются коммутационные устройства выкатного исполнения).
ВНИМАНИЕ! В случае залипания контактов какого либо из исполнительных электромагнитных контакторов ил, устройство не переключает нагрузку на другой ввод, даже при аварийной ситуации на активном вводе.- Дистанционный контроль состояния коммутационных механизмов 1 и 2 линий.
- Регулировка времени задержки включения нагрузки (0.1, 0.5, 1, 2, 3, 5, 10, 20, 30, 60 секунд);
- Регулировка времени задержки отключения нагрузки (0.1, 0.5, 1, 2, 3, 5, 10, 20, 30, 60 секунд);
- Регулировка времени задержки повторного включения нагрузки (0.1, 1, 3, 8, 15, 30, 60, 120, 180, 360 секунд);
- Работа с приоритетным вводом или без;
- Индикаторы состояния вводов и текущего состояния устройства;
- Отдельная установка порогов срабатывания по фазному напряжению для каждого из вводов;
- Защита от замыканий при переключении вводов;
- Цепи управления внешними электромагнитными контакторами 16А/AC230В.
- Возможность подключения внешнего управления и блокировки локального.
- для каждого из вводов - зеленые индикаторы наличия напряжения по фазам L1, L2 и L3, желтый индикатор готовности ввода к работе и два красных индикатора индикации аварийного отклонения фазного напряжения >U и <U;
- Зеленые индикаторы точки отбора оперативного питания (ввод 1 или ввод 2);
- Зеленые индикаторы активного состояния ввода;
- Красный индикатор "Авария"
- Красные индикаторы аварийного отключения защиты включенного коммутационного аппарата;
- Красные индикаторы извлечения коммутационного аппарата (для коммутационных устройств выкатного исполнения);
- Кнопки: включения/отключения автоматического режима("Авто"), отключения нагрузки от вводов ("Стоп"), ручной активации активного ввода ("Ввод1" и "Ввод2").
На тыльной стороне устройства расположены:
- Разъемы подключения вводов 1 и 2, электромагнитных контакторов ввода 1 и 2, разъем подключения дистанционного управления и разъем подключения цепей аварийной сигнализации;
- Поворотные переключатели установки порогов срабатывания по фазному напряжению (минимальное и максимальное значения) для каждого из вводов;
- Поворотный переключатель установки времени задержки включения нагрузки "время вкл";
- Поворотный переключатель установки времени задержки выключения нагрузки "время выкл";
- Поворотный переключатель установки времени задержки повторного включения нагрузки "время повт. вкл.";
- Окружающая среда – взрывобезопасная, не содержащая пыли в количестве, нарушающем работу устройства, а также агрессивных газов и паров в концентрациях, разрушающих металлы и изоляцию;
- Допускается вибрация мест крепления с частотой от 1 до 100Гц с ускорением не более 9,8 м/с2;
- Отсутствие электромагнитных полей, создаваемых проводом с импульсным током амплитудой более 100А, расположенным на расстоянии менее 10 мм от корпуса устройства;
- Устройство устойчиво к воздействию помех степени жёсткости 3 в соответствии с требованиям ГОСТ Р 51317.4.1-2000, ГОСТ Р 51317.4.4-99, ГОСТ Р 51317.4.5-99;
- Конденсация влаги на поверхности изделия не допускается;
- Высота над уровнем моря не более 2000 м.
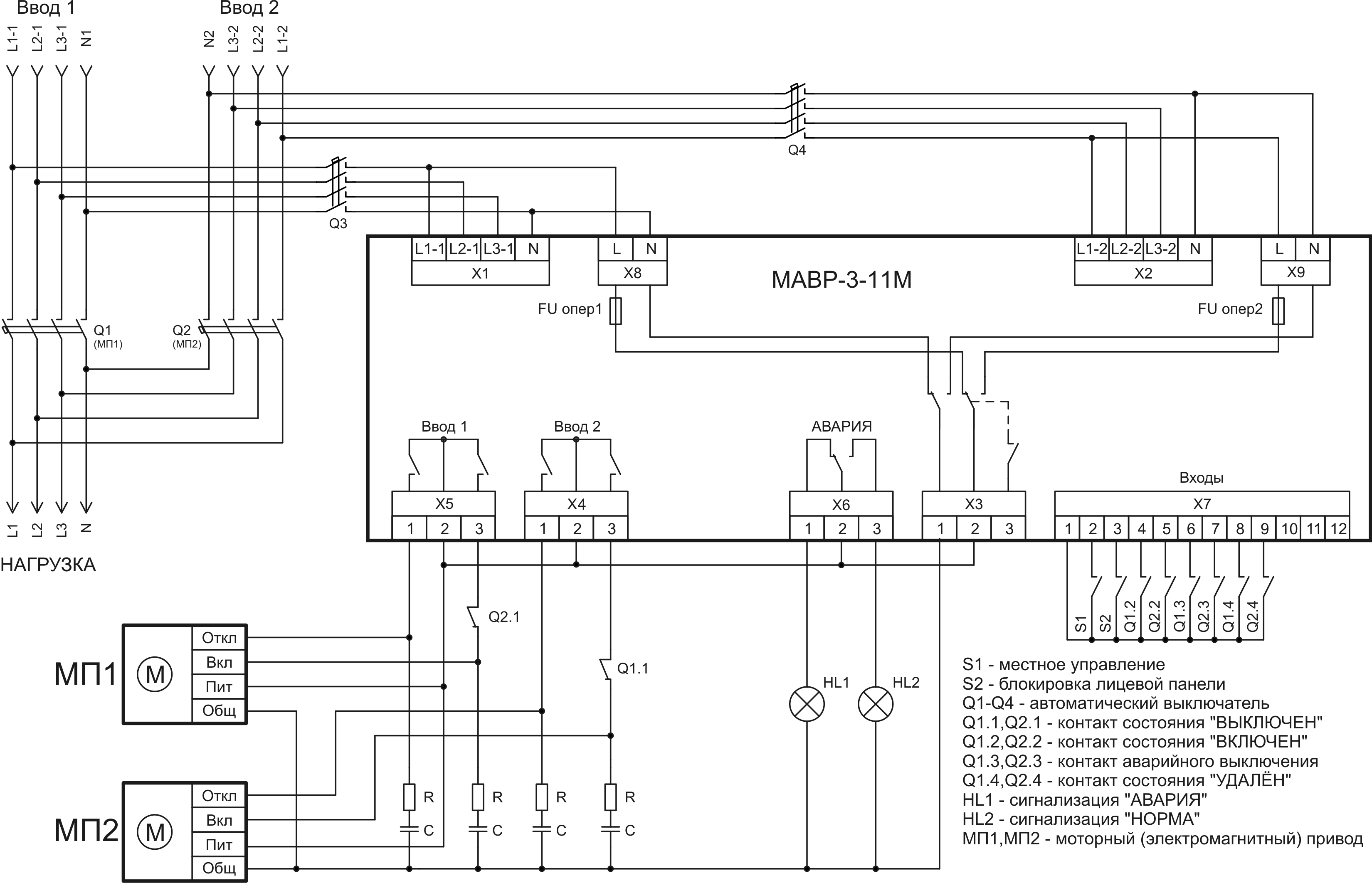
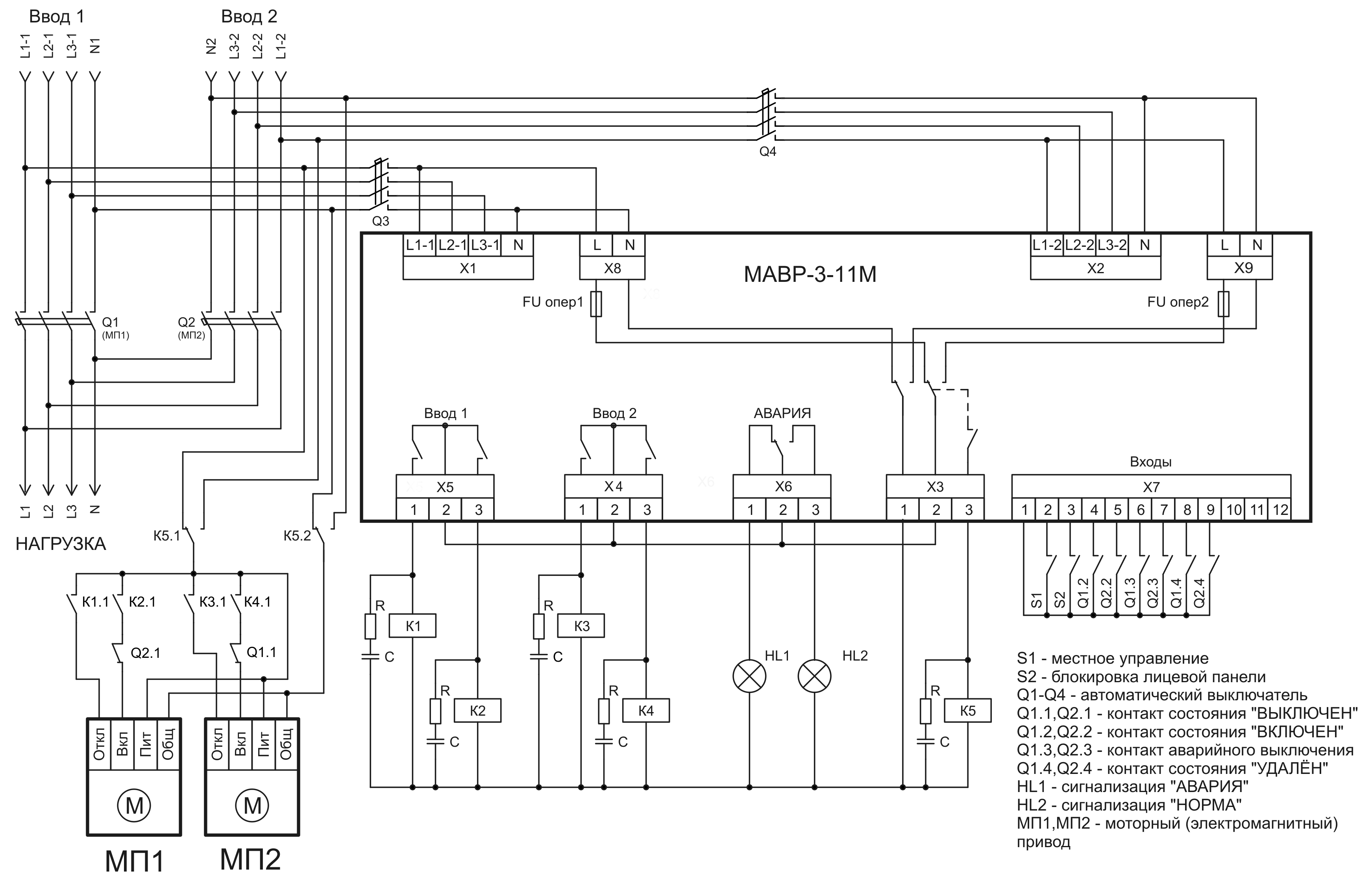
Схемы подключения МАВР-3-11М с использованием автоматических выключателей с моторным приводом
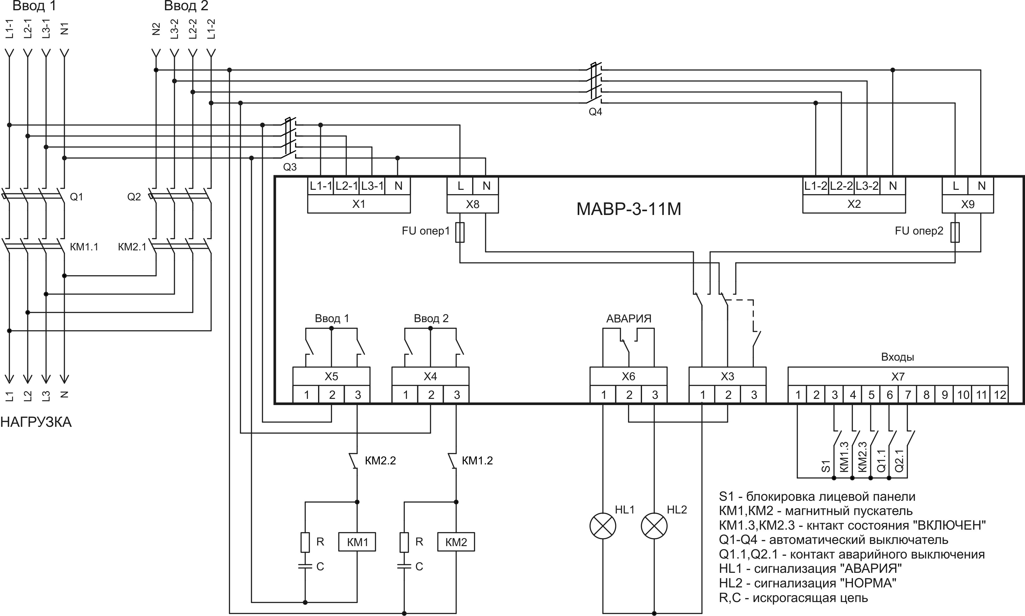
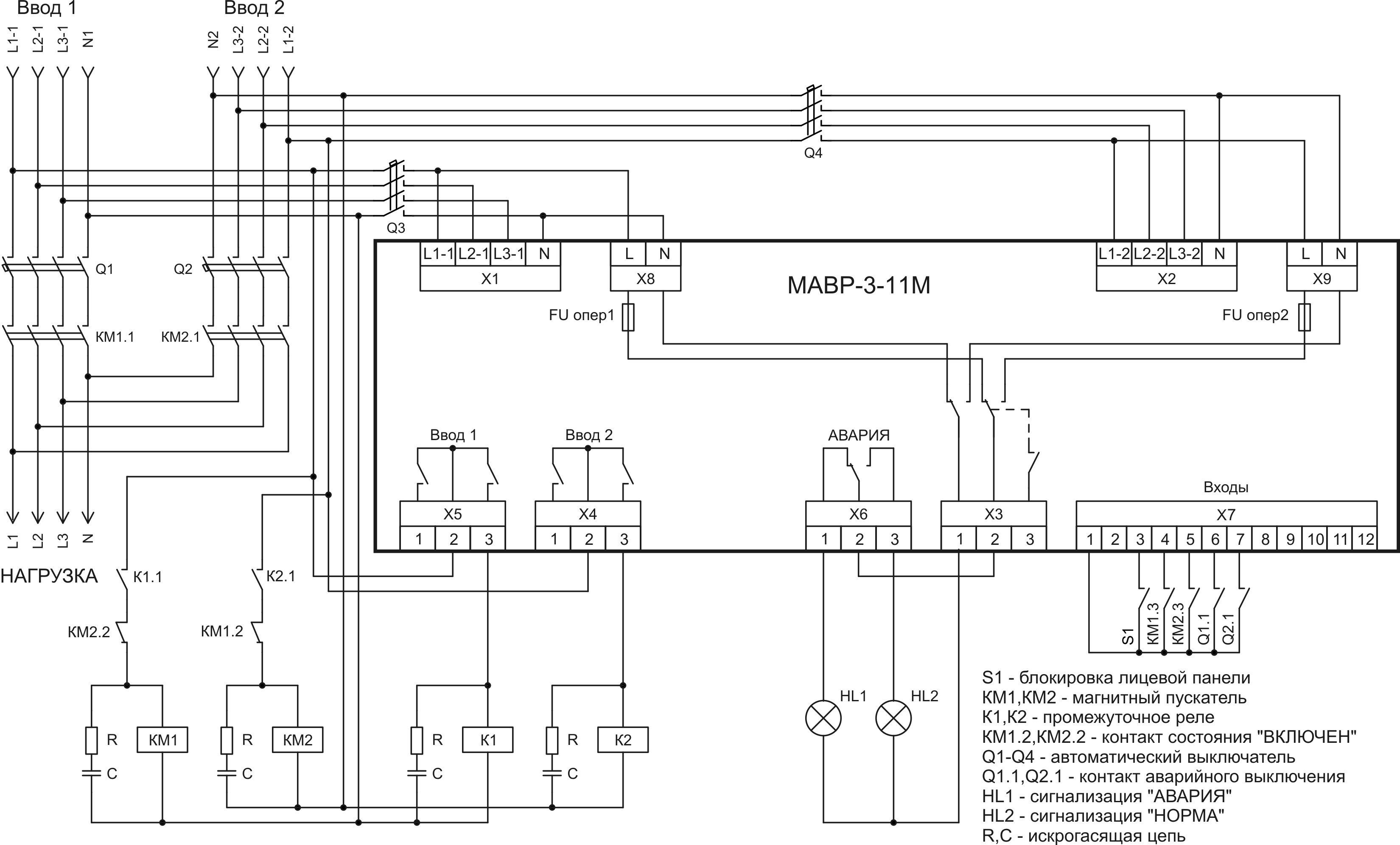
Схемы подключения МАВР-3-11М с использованием магнитных пускателей
ГАБАРИТНЫЕ РАЗМЕРЫ
Дополнительную информацию о параметрах и режимах работы устройства Вы можете найти в паспорте изделия (вкладка «файлы»)






